Sign In | Join Free | My chinacomputerparts.com
China LINK-PP INT'L TECHNOLOGY CO., LIMITED logo
LINK-PP INT'L TECHNOLOGY CO., LIMITED
LINK-PP INT'L TECHNOLOGY CO., LIMITED
Verified Supplier

13 Years

Home > Magnetic RJ45 Jack >

0826-1X1T-M1-F POE RJ45 MagJack 1x1 Port 1000 Base-T Tab Up With OG/Y Led RoHS

LINK-PP INT'L TECHNOLOGY CO., LIMITED
Trust Seal
Verified Supplier
Credit Check
Supplier Assessment
Contact Now

0826-1X1T-M1-F POE RJ45 MagJack 1x1 Port 1000 Base-T Tab Up With OG/Y Led RoHS

  • 1
  • 2

Brand Name : LINK-PP

Model Number : LPJxxxxxx

Certification : UL,ROHS,Reach,ISO

Place of Origin : GuangDong, China

MOQ : 50/500/1000

Price : OEM Price

Payment Terms : TT,NET30/60/90 Days

Supply Ability : 3000000/Month

Delivery Time : Stock

Packaging Details : Tray Package: 50 pcs in 1 tray,24tray in 1 carton, which is 32*30*31 , 8.5 KGS (1200pcs) of each carton

Original : 0826-1X1T-M1-F

Equivalent : LPJxxxxxx

Ethernet Aplly : 1000 Base-T

Samples : Free Available

File : PDF/3D/ISG/Stp/Step/Datasheet/Touchstone Format/S-parameters

Lifecycle : More than 20Years

Contact Now

0826-1X1T-M1-F POE RJ45 MagJack 1x1 Port 1000 Base-T Tab Up With OG/Y Led RoHS

0826-1X1T-M1-F Detailed Information
LINK-PP Part Number LPJGxxxxxx
Part Number 0826-1X1T-M1-F
PoE Rating POE
Part Status Active
Speed 1000 BASE-T
Connector Type Jack
Number of Positions/Contacts 12p8c (RJ45, Ethernet)
Cores per Port 8
LED Option Orange&Green/Yellow
Latch Tab up
Number of Ports 1X1
PCB Mount Angle SIDE ENTRY
Package Height (Inches/mm) 0.536/13.61
Package Length (Inches/mm) 1.290/32.77
Package Width (Inches/mm) 0.642/16.31
Shield EMI Tabs WITH
Temperature -40 TO 80℃


0826-1X1T-M1-F POE RJ45 MagJack 1x1 Port 1000 Base-T Tab Up With OG/Y Led RoHS

You may be interesting in below considerate supports:
Datasheet Request by email to contact us
Samples Free For Free samples delivery, pls advise below infomation For Shipping
Company Name
Delivery Address
Telephone Number
Contact Person
UPS/DHL/Fedex/TNT A.C (If available)
Trial Production U/P(USD) $0.09-$1.85 We can ship out parts directly to your warehouse/door to door
L/T(Weeks) Stock
Shipping Term DAP/CIF/FCA/FOB
Mass Production U/P(USD) Stock
L/T(Weeks) Stock
Shipping Term DAP/CIF/FCA/FOB
Lifecycel More than 20 years You can use our parts for long term consideration
Reject Ratio Zero Defective (100% Tested)
Special Services Accept customized service Accept revised designing
Now you can contact us instantly



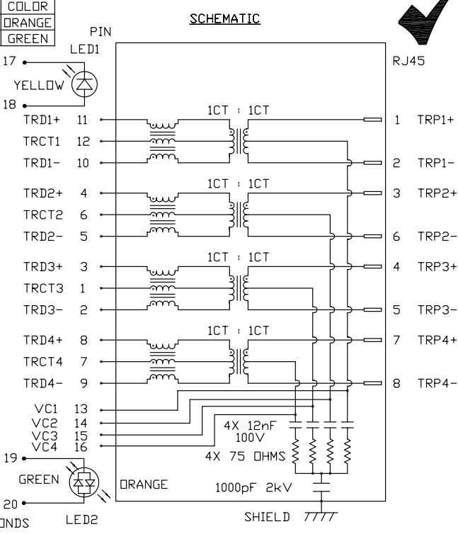
0826-1X1T-M1-F POE RJ45 MagJack Electrical Schematic:
0826-1X1T-M1-F POE RJ45 MagJack 1x1 Port 1000 Base-T Tab Up With OG/Y Led RoHS


0826-1X1T-M1-F 1000 Base-T RJ45 MagJack Similar products:

0826-1X1T-M1-F POE RJ45 MagJack 1x1 Port 1000 Base-T Tab Up With OG/Y Led RoHS

0826-1X1T-M1-F Rj45 Magjack Similar Part Number :

0826-1X1T-KL-F 0875-1A1T-P2 L8BJ-1K1T-KDE
0816-1X1T-43-F 0826-1X1T-M1-F 0826-1X1T-JK-F


0826-1X1T-M1-F Magnetic RJ45 Jack Description:
The 0826-1X1T-M1-F supports speed 100/1000 Base-T, It is compliant to IEEE 802.3, UL, Reach, RoHs, ISO19001,ISO14001 standards.

1.0826-1X1T-M1-F PoE RJ45 Jack
2.0826-1X1T-M1-F 1000 Base-T Magnetic RJ45 Connector
3.0826-1X1T-M1-F 1x1 Port RJ45 MagJack With Led

0826-1X1T-M1-F OEM/ODM Service:

If you want to display your own brand LOGO on the goods such as network connector and lan magnetics or any where. It is no any problem. Our OEM and ODM service is always ready to do it.

0826-1X1T-M1-F POE RJ45 MagJack 1x1 Port 1000 Base-T Tab Up With OG/Y Led RoHS


Product Tags:

0826-1X1T-M1-F

      

POE RJ45 MagJack

      

Tab Up RJ45 Magjack

      
China 0826-1X1T-M1-F POE RJ45 MagJack 1x1 Port 1000 Base-T Tab Up With OG/Y Led RoHS factory

0826-1X1T-M1-F POE RJ45 MagJack 1x1 Port 1000 Base-T Tab Up With OG/Y Led RoHS Images

Inquiry Cart 0
Send your message to this supplier
 
*From:
*To: LINK-PP INT'L TECHNOLOGY CO., LIMITED
*Subject:
*Message:
Characters Remaining: (0/3000)