Sign In | Join Free | My chinacomputerparts.com
China LINK-PP INT'L TECHNOLOGY CO., LIMITED logo
LINK-PP INT'L TECHNOLOGY CO., LIMITED
LINK-PP INT'L TECHNOLOGY CO., LIMITED
Verified Supplier

13 Years

Home > Magnetic RJ45 Jack >

JXT7-1140NL 10GBASE-T 4PAIR PoE 100W 1X1 Port RJ45 Magnetic Connector With Led

LINK-PP INT'L TECHNOLOGY CO., LIMITED
Trust Seal
Verified Supplier
Credit Check
Supplier Assessment
Contact Now

JXT7-1140NL 10GBASE-T 4PAIR PoE 100W 1X1 Port RJ45 Magnetic Connector With Led

  • 1
  • 2

Brand Name : LINK-PP

Model Number : LPJxxxxxx

Certification : UL,ROHS,Reach,ISO

Place of Origin : GuangDong, China

MOQ : 50/500/1000

Price : OEM Price

Payment Terms : TT,NET30/60/90 Days

Supply Ability : 3000000/Month

Delivery Time : Stock

Packaging Details : Tray Package: 50 pcs in 1 tray,24tray in 1 carton, which is 32*30*31 , 8.5 KGS (1200pcs) of each carton

Original : JXT7-1140NL

Equivalent : LPJxxxxxx

Operating Temperature : -40°C ~ 85°C

Samples : Free Available

File : PDF/3D/ISG/Stp/Step/Datasheet/Touchstone Format/S-parameters

Lifecycle : More than 20Years

Contact Now

JXT7-1140NL 10GBASE-T 4PAIR PoE 100W 1X1 Port RJ45 Magnetic Connector With Led

LINK-PP Part Number LPJxxxxxx
Part Number JXT7-1140NL
Part Status Active
Connector Type Jack
Number of Positions/Contacts 12p8c (RJ45, Ethernet)
SPEED 10GBASE-T
POE RATING 4PAIR PoE 100W
LED Option YELLOW-GREEN/YELLOW-GREEN
Number of Ports 1X1 Port
PCB Mount Angle SIDE ENTRY
Shield EMI Tabs WITH
Operating Temperature -40°C ~85°C
CONTACT MATING AREA PLATING Gold 50 U"
PACKAGE HEIGHT MM 13.33
PACKAGE LENGTH MM 34.29
PACKAGE WIDTH MM 16.51


JXT7-1140NL 10GBASE-T 4PAIR PoE 100W 1X1 Port RJ45 Magnetic Connector With Led



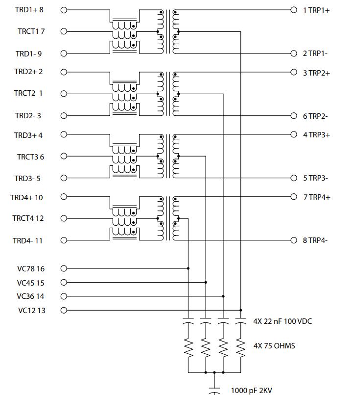
JXT7-1140NL 1X1 Port RJ45 Connector Electrical Schematic:

JXT7-1140NL 10GBASE-T 4PAIR PoE 100W 1X1 Port RJ45 Magnetic Connector With Led


JXT7-1140NL 10GBASE-T 4PAIR PoE 100W 1X1 Port RJ45 Magnetic Connector Mechanical Specification:
JXT7-1140NL 10GBASE-T 4PAIR PoE 100W 1X1 Port RJ45 Magnetic Connector With Led
JXT7-1140NL Description:
1.JXT7-1140NL 1X1 Port Rj45 magjack
2.JXT7-1140NL 10G BASE-T RJ45 Female Connector
3.JXT7-1140NL 10G BASE-T RJ45 Jack With LIGHT PIPES
4.JXT7-1140NL POE RJ45 Connector With led

JXT7-1140NL​​​ RJ45 Jack Similar Part Number :

JXT7-1140NL JXD2 9015NLT JXD2-9001NLT
JXD0-0012NL JT4-1109HL JT4-1120HL


Product Tags:

JXT7-1140NL

      

10GBASE-T RJ45 Connector

      

RJ45 Jack LED

      
China JXT7-1140NL 10GBASE-T 4PAIR PoE 100W 1X1 Port RJ45 Magnetic Connector With Led factory

JXT7-1140NL 10GBASE-T 4PAIR PoE 100W 1X1 Port RJ45 Magnetic Connector With Led Images

Inquiry Cart 0
Send your message to this supplier
 
*From:
*To: LINK-PP INT'L TECHNOLOGY CO., LIMITED
*Subject:
*Message:
Characters Remaining: (0/3000)